Fuel Oil Transfer System
When you do business with FASS fuel system dealers your “COMPLETE SATISFACTION” is of utmost importance.
Fuel oil transfer system. Whether you’re looking for a compact cabinet pump with explosion-proof motor to help keep track of gallons pumped or a small hand-operated drum pump with rotary action and non-sparking nozzle, you’ll find it here. An aircraft fuel system allows the crew to pump, manage, and deliver aviation fuel to the propulsion system and auxiliary power unit (APU) of an aircraft. Cleans, restores, protects the entire fuel system (fuel injectors, carburetors, intake valves and combustion chambers) Automobiles and trucks use every 3,000 miles or at your next oil change.
Fuel systems differ greatly due to different performance of the aircraft in which they are installed. Grainger gives you a choice with various types of fuel transfer pumps with nozzles. For your toughest power needs, the Westinghouse WGen100DF Dual Fuel Portable Generator is an ultra duty generator engineered for strength.
Alternative sampling approaches may be used provided they deliver a fuel oil sample that is representative of the fuel oil at the location from where the sample was drawn. 5 (2) was save. Buy Goplus Electric Fuel Pump 12V 10GPM Diesel Bio Kerosene Oil Transfer Extractor:.
Ensure smooth pumping with an air operated oil transfer pump. Buy Manual or automatic Fuel / Oil transfer pumps & nozzles at Agrisupply, Shop at best price for Tuthill Fillrite , GPI brand of fuel transfer pumps with a selection of 12 and 110 volt. Product Rating is 5.
Call 1-605-1-3473 to Order. Designed to recycle oil, this system dispenses, collects, and filters oil for reuse. Many fuel gases are composed of hydrocarbons (such as methane or propane), hydrogen, carbon monoxide, or mixtures thereof.Such gases are sources of potential heat energy or light energy that can be readily transmitted and distributed through pipes from the point of origin directly to the place of consumption.
A single-engine piston aircraft has a simple fuel system;. These pumps have a PTFE diaphragm compatible with oil, fuel, and chemicals such as mineral spirits, methyl ethyl ketone (MEK). We carry a complete line of fuel transfer pumps, including electric, gas, hand & pneumatic pumps.
Our main focus areas are handling of gas in seaborne transport (storage, fuel, transfer and BOG management), gas to power, liquefaction and biogas solutions. Our ACDelco GM Original Equipment and ACDelco Gold (Professional) oil filters, fuel filters, and air filters are manufactured from quality materials to deliver durability and excellent performance. Including Drum Pumps, Workshop Equipment, Oil & Fuel Transfer Equipment!.
Canada published the draft Clean Fuel Standard this month, which is central to the ruling Liberal Party's commitment to cut greenhouse gas emissions 30% below 05 levels by 30. FASS Fuel Systems increase injection. A tanker (such as the KC-135), in addition to managing its own fuel, can also.
Transfer lubricating oil such as hydraulic and motor oil with these pumps. Maintenance and upkeep is a breeze, thanks to smart design and fewer parts, which also means less pump wear and tear. Monitor your oil tank contents 'at a glance' from your phone.
$1049.00 + $125.00 Shipping. This led to the company being one of the leading manufacturers of oil transfer pumps, including the Fill-Rite 12V 15 GPM (57 LPM) Fuel Transfer Pump with Discharge Hose. Pumps, and construction equipment, you can trust Ramos Oil.
FASS XWS-5000 Transfer Tank Filter (Extreme Water Separator) $30.40. Fuel gas is any one of a number of fuels that are gaseous under ordinary conditions. VP44, CP3, P7100, VE, CP4, DS Pump.
With 15,000 peak watts and 12,000 running watts, the WGen100DF is built with a brawny 713cc V-Twin OHV Westinghouse Engine to yield up to 11 hours of run time on a 10.5 gallon (40 L) gas tank and operates on either gasoline or propane. Browse a variety of top brands in Fuel Hose Reels such as Roughneck, Coxreels, and Reelcraft from the product experts. Diesel Pumps Hand Fuel Transfer Pumps 230v Electric Fuel Transfer Pumps 12v Electric Fuel Transfer Pumps 24v Electric Fuel Transfer Pumps 110v Electric Fuel Transfer Pumps 400v Electric Fuel Transfer Pumps Engine Driven Fuel Transfer Pumps.
STM is Australia's leading distributor of Lubrication and Fuel Transfer Equipment. Gas Solutions is a market leader with innovative systems and lifecycle solutions for the gas value chain. Fuel Tank Shop offers one of the largest online selections of oil, diesel, adblue, waste oil kerosene, and biofuel storage options in the UK.
They can help me manage my fleet 24-7 with a live system that provides. Oil Pumps, Diaphragm Pumps, Transfer Kits + More!. Brent and WTI Crude Oil Daily Trends:.
Smart WiFi tank level monitoring System. FUEL SYSTEM OF DIESEL ENGINE During engine operation, the fuel is supplied by gravity from fuel tank to the primary filter where coarse impurities are removed. 66-77 Ford Bronco Fuel System TBP Exclusive Rear Main & Front Auxiliary Fuel Tanks are made as direct replicas of the factory original tanks.
0 (0) was save. Shop 41 Fuel Hose Reels at Northern Tool + Equipment. Choose from a variety of brands like Fill-Rite, GPI & Gorman Rupp.
Fuel Transfer Tank Accessories (91) Filter Results. Product Rating is 0. Piusi USA Pitstop 12V Diesel Transfer System, F0021.
We supply bunded oil tanks, diesel bowsers, diesel dispensing tanks (static and portable), adblue tanks, waste oil and lubricant tanks from a wide range of manufacturers. Save Up To. Fuel oil in a tank may be sampled by use of the ship’s fuel oil transfer system or, in some instances, directly from the tank.
BLACKHORSE-RACING 12V New Portable DC Electric Fuel Transfer Pump Diesel Kerosene Oil Commercial Fuel Transfer Extractor Pump Motor Auto 4.3 out of 5 stars 4 $48.85 $ 48. Redline MP3500F Complete Waste Oil Transfer/Filtration System Features a 1/2 HP Motor, 3/4" Port Gear Head, a 10 Micron Spin-On Filter System, Feet of 1" Oil Resistant Hose, and a Suction Wand with a 16 Mesh Screen. ACDelco has filters to block just about everything – from engine oil filters that block particles one-third the size of a human hair, to cabin air filters that block faint odors in the air.
Lost power, acceleration, lost fuel economy, and operation of the fuel gauge sensor. GPI L 5116 115V Oil Pump. Fuel Filters, Oil Filters, Fuel Filter Delete.
We are a fully licensed PUC carrier for bulk fuel and petroleum transfer in California and Nevada. Fuel, Oil, Lubricant and Additive Solutions to Keep.

How To Draw And Read Line Diagrams Onboard Ships
Fuel Oil System Relay Switch

Introducing Deviations And Multiple Abstraction Levels In The Functional Diagnosis Of Fluid Transfer Systems Sciencedirect
Fuel Oil Transfer System のギャラリー

A Decision Making Module For Aiding Ship System Automation Design A Knowledge Based Approach Sciencedirect
Www Preferred Mfg Com Products Preferred utilities Fuel oil transfer pump sets Automatic fuel oil transfer pump set Documents Files Automatic fuel oil transfer pump set cutsheet Atpsf Pdf

Fuel Consumption And Bunker Monitoring Onboard A Gas Carrier Krohne Netherlands

Fuel Consumption And Bunker Monitoring Onboard A Ferry Krohne Group
British Kestrel Machinery Book Fuel Oil Boiler

Air Operated Heavy Fuel Oil Transfer Diaphragm Pump Buy Fuel Oil Transfer Pump Fuel Oil Pump Heavy Fuel Oil Transfer Pump Product On Alibaba Com

Go4 Fuel Oil Custody Transfer
Q Tbn And9gctkxjibnrbx5kli7vdu4ctk9ns0uuq We5zryrxqes3 Ueoqrzq Usqp Cau

Lucas Cav 12v Shut Off Solenoid Lucas Injection Pump Shut Off Solenoid By Carenginedieselparts Issuu

Marine Fuel Oil Contaminants Bright Hub Engineering

Simulation Model Of A Semi Industrial Fuel Oil Boiler In Eurotherm 08

Pdf Heat Transfer Analysis Of Thermal Oil Plant On Fuel Oil Tanks Of Ltdw Product Oil Tanker
Q Tbn And9gctmwz1zsykm Snry1lvuq02jnfupwirztnk6tdm5tvbrmdynqrh Usqp Cau

Fuel Changeover System Fuelsafe Auramarine

Module 4 Ship Board Energy Management Ppt Download

Some Methods To Prevent The Wear Of Piston Cylinder When Using Low Sulphur Fuel Oil Lsfo For All Ships Sailing On Emission Control Areas Ecas Intechopen
Www Asef15 Com Asef Forum Pdf Session 3 2 What are problems of compliant fuels from Prof takasaki Pdf

Marpol Annex Vi Data Collection System For Fuel Oil Consumption Of Ships Imo Dcs Entry Into Force 1 March 18 Marine Offshore

Fuel Oil Transfer System Gcmppd

Diagram Of Main Engine Comcast Cable Box Wiring Diagram Bege Wiring Diagram

Fuel Oil Transfer Systems Fuel Conditioning Modules Oil Systems Alyan Pump Philadelphia Pa
Proble2 You Are Required To Design A Pump For The Chegg Com

Pdf Design Of Temperature Control System Of Hfo Fuel Type On Ship Based Plc

Go4 Fuel Oil Custody Transfer

Tsps Engineering Manual

Handbook For Mechanical Systems

Fuel Oil System Youtube
You Are Required To Design A Pump For The Transfer Chegg Com

Fuel Oil Transfer System Explained 2d Animation Garish Jerome Youtube

Fuel Consumption And Bunker Monitoring Onboard A Cruise Ship Krohne Netherlands

Marine Boiler Combustion Process Arrangement Supply Of Fuel Oil
Www Nmi Nl Wp Content Uploads 19 07 Flyer Bunkering 19 Pdf

澳门新葡亰下载app 官方版 欢迎您

Class Ars Data Collection System For Fuel Oil Consumption Of Ships

Manual Heavy Fuel Oil Pump Rotary Hand Fuel Pump Buy Hand Fuel Pump Rotary Hand Fuel Pump Heavy Fuel Oil Pump Product On Alibaba Com

Fuel Oil Fill Transfer And Storage Ddg 51 Components Pdf Free Download

Shell Fuel Oil Plus And Shell Fuel Oil Extra Shell Global

Properties And Working System Of Marine Fuel Oil Marine Infosite

Fuel Oil System Description

Industries At A Glance Industries Leistritz Pump Technology

District Heating Wikipedia

Work Logic Of Condition A Transfer System Download Scientific Diagram
Http Www Tecnoveritas Net Wp Content Uploads 18 03 Module Iv Pdf

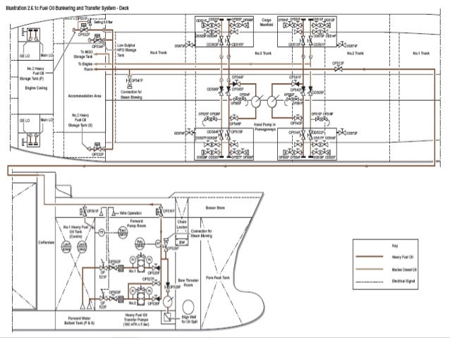
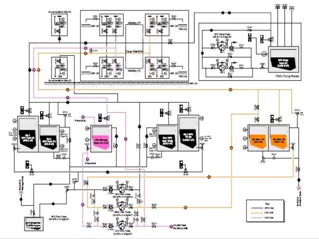
Fuel Oil Transfer System For Marine Diesel Engines

Fuel Oil System For Marine Diesel Engine
Fuel Oil Handling System Design Pdf Pump Valve
How Is Fuel Hfo For A Marine Diesel Engine Main Engine Being Delivered From A Fuel Oil Storage Tank Up To The Combustion Chamber Quora

Whaleflo 12v 24v 14lpm Electric Fuel Oil Transfer Diesel Gear Pump
Q Tbn And9gcqrleqryzid Xpozxrpaclnv7l7epy9eqr2b9ui5cy9tp Iui Usqp Cau

Cummins Diesel Engine Parts Fuel Oil Transfer Pump

Specialist Fuel Oil System Fuel Transfer System Diesel Storage Transfer System For Critical Facilities Praxis Group

How Ships Can Prepare For Psc Inspection For Imo

Marine Sea Time Fuel Oil Line Diagram And Explanation In Ship

Fuel Oil Filtration Systems Fuel Oil Transfer Systems Industrial Fuel Systems Mission Critical Fuel Oil Systems Pump Sets
Preferred Atpsf Preferred Utilities Automatic Fuel Oil

Used Lube Oil Transfer System Ppt Download

Global Marine Fuel Injection System Market Growth Drivers Regional Outlook Competitive Strategies And Forecast Up To 25 The Courier

Fuel Oil Systems

Fuel Transfer Procedure And Fire Risk For Motorships

Fuel Oil Pump Sets Fuel Oil Transfer Systems Industrial Fuel Systems Mission Critical Fuel Oil Systems Pump Sets

Fuel Oil Systems

Class Ars Data Collection System For Fuel Oil Consumption Of Ships

Main Propulsion Plant Dd445 And 692 Classes And Converted Types Operation Manual Section Viii
Www Bimco Org Media Bimco News And Trends News Priority News Fuel Oil Quality And Safety Survey Report Ashx
2

Catalysts Free Full Text Oxidative Desulfurization Of Heavy Oils With High Sulfur Content A Review Html

Fuel Oil Systems
Www Classnk Or Jp Hp Pdf Activities Statutory Soxpm Soxbooklet1909en Pdf

Fuel Oil Systems
Download Atlantis Press Com Article Pdf

Fuel Oil Systems

Factory Price Boat Diesel Fuel Oil Transfer Jet Pump 3g Series Three Screw Pump Buy Boot Jet Pomp Dieselolie Jet Pomp Boot Dieselolie Jet Pomp Product On Alibaba Com

Diesel Fuel System Basic And Tutorials All About Mechanical Engineering

Figure 2 From A Study On The Use Of Pure Palm Oil Biodiesel Do As An Alternative Fuel On The Fuel Supply System Of Marine Diesel Engines Semantic Scholar

Fuel Oil System

Diesel Oil Transfer Pump Dual Oil Filter Duplex Crude Oil Filter Dual Fuel Filter As For Sale Shipbuilding Duplex Oil Filter Double Oil Filter Cb T425 94 Manufacturer From China

Van Borselen Filters Oil Skimmer
2

Diesel Engine Fuel System Diagram A Diagram For Business Wireless Bege Wiring Diagram

China Lubrication Oil System Screw Pump China Screw Pump Three Screw Pump

Effects Of Viscosity And Heat Transfer On Developed Marine Fuel Preheating System Utilizing Diesel Engine Exhaust Semantic Scholar

Tsps Engineering Manual
Www Shell Com Business Customers Marine Fuel Very Low Sulpur Fuel Oil Jcr Content Par Toptasks Stream C99abd63deeacbca1e23a749b1041d Operational Guidelines For Vlsfo Pdf

Fuel Oil Transfer System Gcmppd

Fuel Oil Day Tanks Bec Equipment Llc Boiler Service Sales Repairs Chicagoland Area Boiler Equipment Company

Marine Steam Boilers And Boiler Accessories

Fuel Injection Equipment Ppt Download

Fuel Oil Supply Systems Rotring Hische Gmbh

Semi Automatic Fuel Oil Transfer Pump Set

Fuel Oil Systems
2

Top Pdf Numerical Modeling Of Heat Transfer In The Fuel Oil Storage Tank At Thermal Power Plant 1library
Fuel Oil Temperature Control System In Marine Boiler Fuel Oil Boiler
Q Tbn And9gcqhu8 8f Wbqx3lqy Gpvhdyo22pk Lj1pultmvuhkk7pgutecy Usqp Cau

模擬機系統

Preferred Utilities Fuel Oil Handling Systems

Heavy Fuel Oil Emerson Automation Experts

Research Of Approach For Fuel Transfer Integrative Control Of Offshore Oil Platform Power System Scientific Net

Eh Type Eco Heater Conhira Co Ltd

Lube Oil System An Overview Sciencedirect Topics

Figure 1 2 Fuel Oil System Block Diagram